ماكينة تصنيع خيط البوليستر DTY، ماكينة غزل بتقنية البرم الكاذب JGT1000V
Draw Texturing Machine
صممت هذه الماكينات لتشكيل خيوط البوليستر POY بنطاق من 55 إلى 222 ديتكس، وتستخدم لإنتاج خيوط البوليستر DTY منخفضة التمدد من خلال السحب وتشكيل الخيوط باللف الكاذب. وعند تزويدها بفوهة هواء، يمكن استخدامها أيضاً لمعالجة الخيوط المتشابكة.
يقلل استهلاك الطاقة بنحو 20% بفضل السخانات والمحركات الموفرة للطاقة. كما يبسط تصميم الدفع المباشر، المكون من عمود واحد ومحرك واحد، نظام النقل بإزالة الأحزمة المتزامنة وبكرات الشد، مما يساعد على تشغيل الخط بكفاءة أعلى مع تقليل نقاط الأعطال. كما يتيح التشغيل المستقل للجانبين A وB إعدادات معالجة مختلفة على كل جانب، مما يتيح تشغيل نوعين من الخيوط في الوقت نفسه. ولتلبية احتياجات المعالجة المختلفة، تستخدم وحدة اللف الكاذب تصميم قرصي مكدس مع نظام دفع بحزام واحد أو حزامين.
تستخدم ماكينة JGT1000V لمعالجة الخيوط من 50D إلى 200D، وهي مناسبة لمنتجات مثل فساتين الشيفون وملابس النوم الفاخرة.
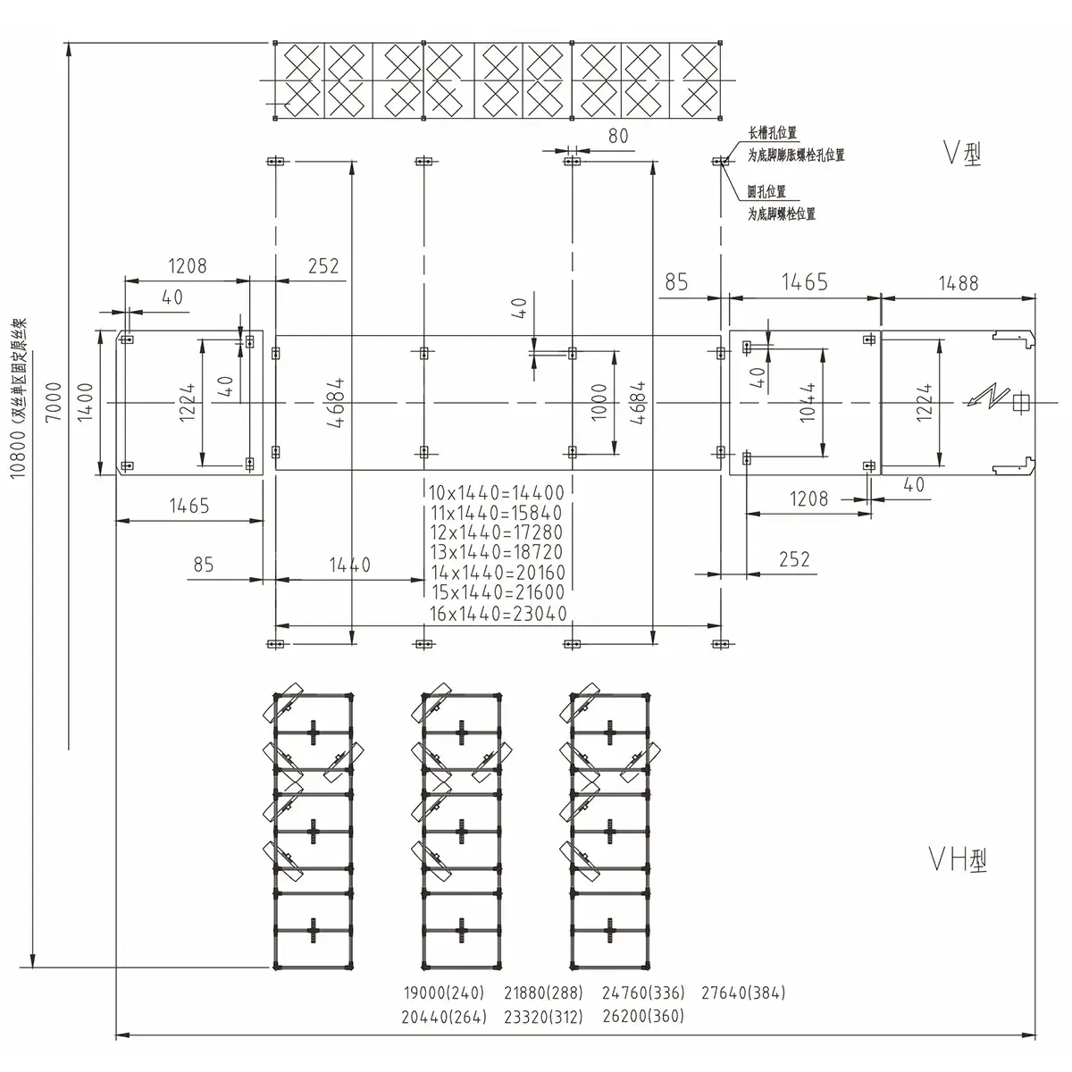
| عدد المغازل | عدد الأقسام | القدرة التركيبية | الأبعاد (مع حاملة البكرة الثابتة) | ||||
| المحرك الرئيسي | سخان علوي | سخان سفلي | القدرة المساعدة | القدرة الكلية | |||
| 264 | 11 | 107.5kW | 74.8kW | 26.4kW | Approx. 6kW | 214.7kW | 20440×7000×5360mm |
| 288 | 12 | 110.5kW | 81.6kW | 28.8kW | Approx. 6kW | 226.9kW | 21880×7000×5360mm |
| 312 | 13 | 122.3kW | 88.4kW | 31.2kW | Approx. 6kW | 247.9kW | 23320×7000×5360mm |
| 336 | 14 | 131kW | 95.2kW | 33.6kW | Approx. 6kW | 265.8kW | 24760×7000×5360mm |
| 360 | 15 | 131kW | 102kW | 36kW | Approx. 6kW | 275kW | 26200×7000×5360mm |
| 384 | 16 | 137kw | 108.8kW | 38.4kW | Approx. 6kW | 290.2kW | 27640×7000×5360mm |
| خطوة المغزل | 110mm |
| أقصى سرعة ميكانيكية | 1000 متر في الدقيقة |
| المواد المناسبة للتطبيق/نطاق عد الخيوط | البوليستر\من 55 إلى 222 ديتكس (من 50 إلى 200 دينير) |
| خطوة القسم | 1440mm |
| طريقة غزل بالبرم الكاذب | نوع قرص التكديس نوع VIII (برم الاحتكاك الكاذب) |
| أقصى سرعة لوحدة البرم الكاذب | 18000 لفة في الدقيقة |
| اتجاه البرم | قابل للضبط S/Z |
| سخان أساسي (سخان الغزل) | تسخين ثنائي الفينيل في الطور البخاري، 2000 مم |
| سخان ثانوي (ضبط السخان) | تسخين ثنائي الفينيل في الطور البخاري، 1460 مم |
| نطاق درجة حرارة سخان الغزل | 160–250 ℃ |
| ضبط نطاق درجة حرارة السخان | من 160 إلى درجة مئوية (اختياري: تسخين ثنائي الفينيل عند درجة حرارة منخفضة من 100 إلى 160 درجة مئوية) |
| طول لوحة التبريد | 1100 مم (تبريد طبيعي) |
| قطر بكرة الاحتكاك | Ø100mm |
| قطر بكرة التغذية | Ø75mm |
| قطر بكرة التزييت | Ø75mm |
| أقصى حجم تغذية للعبوة POY | Ø435×250mm |
| أقصى حجم لحزمة التجميع | Ø250×250mm |
| الوزن القياسي للعبوة | 5kg |
| حجم أنبوب ورق التجميع | Ø69ר57×290mm |

- حامل بكرة الخيوط
- مستشعر الخيط W1
- وحدة التشابك W1
- قاطع الخيط W1
- بكرة W1
- قضيب دفع الخيط
- مانع البرم
- سخان علوي
- لوح التبريد
- ماكينة البرم الكاذب
- بكرة W2
- وحدة التشابك
- مسخن سفلي
- بكرة W3
- مستشعر الخيط W3
- بكرة التزييت
- بكرة الاحتكاك
- أسطوانة مخددة
- أنبوب شفط
- عربة
- وحدة التشابك W3
- مستشعر الخيط المزدوج W0
- بكرة W0
- قاطع الخيط W0
















