ماكينة تصنيع خيط البوليستر DTY، ماكينة غزل بتقنية البرم الكاذب JGT1000D
Draw Texturing Machine

صممت هذه الماكينات خصيصاً لإنتاج خيوط البوليستر المنسوجة بتقنية DTY (خيوط الغزل المسحوبة)، حيث تعالج خيوط البوليستر المنسوجة بتقنية POY من خلال عملية السحب والنسيج بتقنية البرم الكاذب لإنتاج خيوط DTY منخفضة التمدد. وهي مناسبة للخيوط حتى 600D ومصممة لزيادة الإنتاجية.
لتحقيق ذلك، أُضيفت بكرتان ووحدة برم كاذب إضافية، مما يسمح بتغذية ومعالجة خيوط اللف S وZ معاً عند كل موضع مغزل. يتيح هذا دمج نوعي الخيوط مباشرةً في خطوة واحدة لإنتاج خيوط ذات عزم دوران صفري. بالمقارنة مع الطريقة التقليدية لإنتاج الخيوط بشكل منفصل ثم دمجها لاحقاً، يمكن لهذا الإعداد مضاعفة الإنتاج.
التطبيقات
مناسب لمعالجة الخيوط من طرفين من 50D إلى 300D، والتي تستخدم في إنتاج سراويل الجينز والسراويل الرياضية.
المواصفات
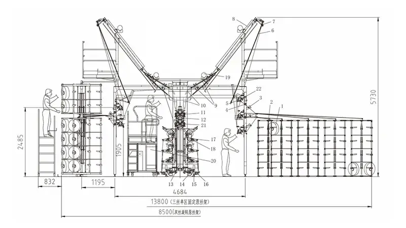
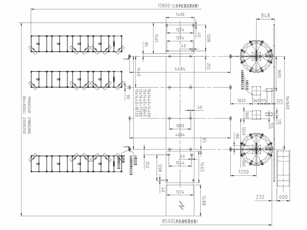
| عدد المغازل | 240 | 264 | 288 | 312 | |
| عدد الأقسام | 10 | 11 | 12 | 13 | |
| القدرة التركيبية (kW) | المحرك الرئيسي | 158.8 | 191.7 | 216 | 237.3 |
| سخان علوي | 80 | 88 | 96 | 104 | |
| سخان سفلي واحد | 24 | 26.4 | 28.8 | 31.2 | |
| سخان سفلي مزدوج | 32 | 35.2 | 38.4 | 38.4 | |
| القدرة المساعدة | حوالي 6 كيلو وات | ||||
| القدرة الكلية (مع سخان سفلي واحد) |
268.8 | 312.1 | 346.8 | 369.8 | |
| الأبعاد (مم) | حاملة بكرات ثلاثية (منطقة واحدة) |
19000×13800×5730 | 20440×13800×5730 | 21880×13800×5730 | 23320×13800×5730 |
| حاملة بكرات دوارة | 19000×8500×5730 | 20440×8500×5730 | 21880×8500×5730 | 23320×8500×5730 | |
| خطوة المغزل | 110mm |
| أقصى سرعة ميكانيكية | 1000 متر في الدقيقة |
| المواد المناسبة للتطبيق/نطاق عد الخيوط | البوليستر\من 55 إلى 333 ديتكس×2 |
| خطوة القسم | 1440mm |
| طريقة غزل بالبرم الكاذب | نوع القرص المكدس ذو المغزل الآلي ذو الطبقتين (برم احتكاكي كاذب) |
| حجم قرص الاحتكاك | Ø52 (Ø52.5)×9mm |
| أقصى سرعة لوحدة البرم الكاذب | 18000 لفة في الدقيقة |
| اتجاه البرم | طبقة واحدة من اللف على شكل حرف S + طبقة واحدة من اللف على شكل حرف Z |
| سخان أولي (سخان الغزل) | تسخين ثنائي الفينيل في الطور البخاري، 2000 مم |
| سخان ثانوي (ضبط الغزل) | تسخين ثنائي الفينيل في الطور البخاري، 1460 مم (اختياري: سخان مزدوج سفلي) |
| نطاق درجة حرارة سخان الغزل | 160–250 ℃ |
| ضبط نطاق درجة حرارة السخان | من 160 إلى 250 درجة مئوية (درجة حرارة منخفضة من 100 إلى 160 درجة مئوية) |
| طول لوح التبريد | 1100 مم (تبريد طبيعي) |
| قطر بكرة الاحتكاك | Ø100mm |
| قطر بكرة التغذية | Ø75mm |
| قطر بكرة التزييت | Ø75mm |
| أقصى حجم تغذية المجموعة POY | Ø435×250mm |
| أقصى حجم لحزمة التجميع | Ø250×250mm |
| الوزن القياسي للمجموعة | 5kg |
| حجم أنبوب ورق التجميع | Ø69ר57×290mm |
المكونات الرئيسية









