ماكينة تصنيع خيط البوليستر DTY، ماكينة غزل بتقنية البرم الكاذب JGT1000H
Draw Texturing Machine

صممت هذه الآلة لإنتاج خيوط البوليستر DTY، حيث تعالج خيوط البوليستر POY من خلال السحب واالغزل الحلزوني لإنتاج خيوط DTY منخفضة التمدد. يمكن تغذية خيوط الإسباندكس إلى الآلة ودمجها مع خيوط DTY أثناء المعالجة، بحيث يغزل الخيط المركب على نفس خط الإنتاج. عند إضافة فوهة هواء كخيار إضافي، يُمكن إتمام معالجة خيوط DTY وإنتاج خيوط الإسباندكس المتشابكة في خطوة واحدة.
باعتبارها نموذج مطور كامل معتمد على آلة الغزل JGT 1000V، تتميز هذه الآلة باستبدال كامل لوحدات التغذية مع بقاء بكرة W3 دون تغيير. علاوة على ذلك، يتوفر رافع خيوط هوائي كخيار إضافي، كما يمكن تركيب أجزاء سيراميكية خاصة بأسطوانة الزيت الدوارة لمعالجة الخيوط الدقيقة بدقة عالية.
تعد هذه الآلات مثالية لدمج ألياف الإسباندكس مع ألياف DTY، حيث تنجز عملية الغزل والتشابك في خطوة واحدة عبر فوهة هواء. تشمل التطبيقات النموذجية الأقمشة المستخدمة في فساتين وقمصان الشيفون.
| عدد المغازل | عدد الأقسام | القدرة التركيبية (kW) | الأبعاد (مم) | |||||
| المحرك الرئيسي | سخان علوي | سخان سفلي | القدرة المساعدة | القدرة الكلية | حاملة البكرات الثابتة | حاملة البكرات الدوارة | ||
| 264 | 11 | 123.7 | 74.8 | 26.4 | حوالي 6 كيلو وات | 230.9 | 20440×7300×5760 | 20440×7700×5760 |
| 288 | 12 | 126.5 | 81.6 | 28.8 | حوالي 6 كيلو وات | 242.9 | 21880×7300×5760 | 21880×7700×5760 |
| 312 | 13 | 146 | 88.4 | 31.2 | حوالي 6 كيلو وات | 271.6 | 23320×7300×5760 | 23320×7700×5760 |
| 336 | 14 | 152.9 | 95.2 | 33.6 | حوالي 6 كيلو وات | 287.7 | 24760×7300×5760 | 24760×7700×5760 |
| 360 | 15 | 155.8 | 102 | 36 | حوالي 6 كيلو وات | 299.8 | 26200×7300×5760 | 26200×7700×5760 |
| 384 | 16 | 164.7 | 108.8 | 38.4 | حوالي 6 كيلو وات | 317.9 | 27640×7300×5760 | 27640×7700×5760 |
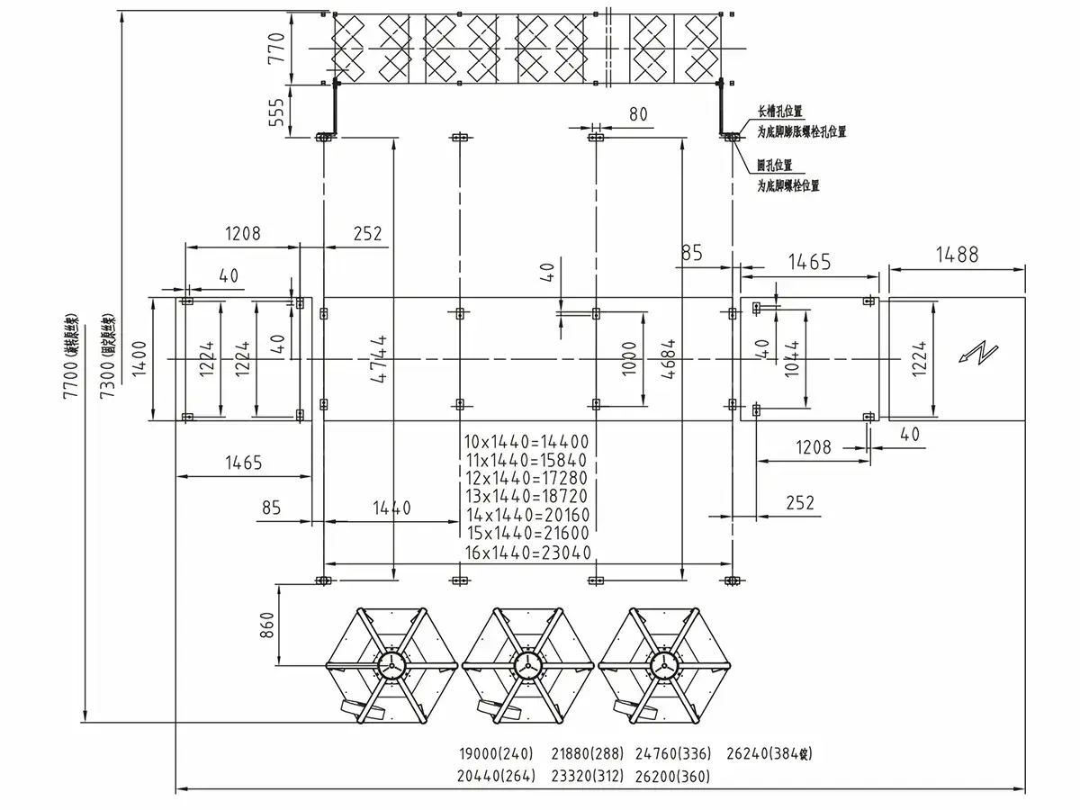
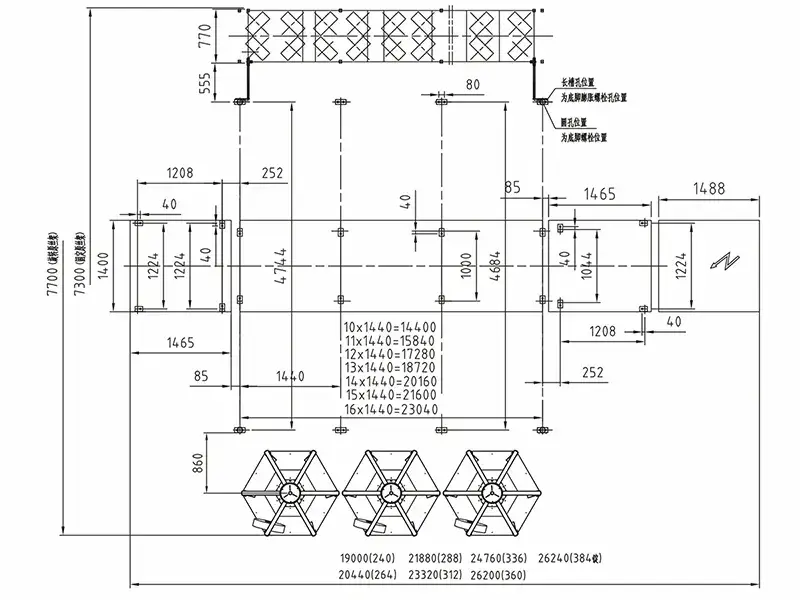
| خطوة المغزل | 110mm |
| أقصى سرعة ميكانيكية | 1000 متر في الدقيقة |
| المواد المناسبة للتطبيق/نطاق عد الخيوط | البوليستر\من 55 إلى 222 ديتكس (من 50 إلى 200 دينير) |
| خطوة القسم | 1440mm |
| طريقة غزل بالبرم الكاذب | نوع القرص المكدس VIII (برم احتكاكي كاذب) |
| حجم قرص الاحتكاك | Ø52(Ø52.5)×9mm |
| أقصى سرعة لوحدة البرم الكاذب | 18000 لفة في الدقيقة |
| اتجاه البرم | تسخين ثنائي الفينيل في الطور البخاري، 2000 مم |
| سخان أولي (سخان الغزل) | تسخين ثنائي الفينيل في الطور البخاري، 1460 مم |
| سخان ثانوي (ضبط الغزل) | تسخين ثنائي الفينيل في الطور البخاري، 2000 مم |
| نطاق درجة حرارة سخان الغزل | 160-250℃ |
| ضبط نطاق درجة حرارة السخان | من 160 إلى 250 درجة مئوية (درجة حرارة منخفضة من 100 إلى 160 درجة مئوية) |
| طول لوح التبريد | 1100 مم (تبريد طبيعي) |
| قطر بكرة الاحتكاك | Ø100mm |
| قطر بكرة التغذية | Ø75mm |
| قطر بكرة التزييت | Ø75mm |
| قطر بكرة تغذية الإسباندكس | Ø25mm |
| نسبة سحب الإسباندكس | 1.5-4 |
| أقصى حجم تغذية المجموعة POY | Ø435×250mm |
| أقصى حجم لحزمة التجميع | Ø250×250mm |
| الوزن القياسي للمجموعة | 5kg |
| حجم أنبوب ورق التجميع | Ø69ר57×290mm |
-
وحدة تغذية خيوط الإسباندكس الاختياريةتستخدم وحدة تغذية خيوط الإسباندكس الاختياري محرك مستقل عند كل موضع مغزل، مما يضمن تغذية كل خيط من خيوط الإسباندكس بثبات أكبر. وتعمل هذه الوحدة بالتزامن مع نظام استشعار وقطع الخيوط، الذي يوقف التغذية فور اكتشاف انقطاع في الخيط، مما يساهم في تقليل هدر المواد. كما يساعد التحكم المستقل في جانبي A وB على الحفاظ على عملية السحب أكثر انتظام.
-
تركيبة D2x Godetبفضل تصميمها الفريد ذي الحامل المزدوج، تمكن بنية الحامل D2x كل مغزل من العمل بمحرك مستقل، مما يمنع انزلاق الخيط على سطح الحامل. وهي مناسبة بشكل خاص للخيوط الدقيقة، والخيوط متعددة الثقوب، والخيوط الحساسة للاحتكاك، كما أنها تُساعد في الحفاظ على جودة خيوط أكثر تجانسًا وتقليل تآكل المكونات.







