ماكينة تصنيع خيط البوليستر DTY، ماكينة غزل بتقنية البرم الكاذب JGT1000E
Draw Texturing Machine

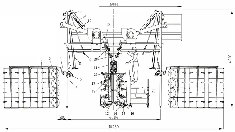
تستخدم ماكينة غزل بتقنية البرم الكاذب هذه لتحويل خيوط البوليستر POY إلى خيوط DTY منخفضة التمدد من خلال السحب والغزل بتقنية البرم الكاذب. تجهز هذه الآلات بوحدات برم كاذب علوية وسفلية ذات أقراص متراصة، تعمل بواسطة أحزمة، مما يسهم في الحفاظ على استقرار الدوران، وانتظام السرعة، ودقة المعالجة أثناء الإنتاج.
في كل موضع للمغزل، تدمج خيوط اللف S وZ وتعالج معاً في خطوة واحدة، بحيث لا تحتوي الخيوط النهائية على أي عزم دوران متبقٍ. يناسب هذا الإعداد معالجة الخيوط الخشنة من الطرفين، ويمكنه التعامل مع خيوط DTY حتى 600D. كما يستخدم هيكل أسطواني مزدوج W2 لتحسين معالجة الخيوط المتشابكة والمساعدة في الحفاظ على جودة الخيوط النهائية.
مناسبة لمعالجة الخيوط المركبة في نطاق 300D إلى 600D، مع تطبيقات نموذجية في أقمشة الستائر والخيام.
| عدد المغازل | 264 | 288 | 312 | |
| عدد الأقسام | 11 | 12 | 13 | |
| القدرة التركيبية | المحرك الرئيسي | 196kW | 203.8kW | 232.4kW |
| سخان علوي | 110kW | 120kW | 130kW | |
| سخان سفلي | 26.4kW | 28.8kW | 31.2kW | |
| القدرة المساعدة | حوالي 6 كيلو وات | |||
| القدرة الكلية | 332.2kW | 358.6kW | 399.6kW | |
| الأبعاد (مع حاملة البكرة الثابتة) | 20440×10950×4910mm | 21880×10950×4910mm | 23320×10950×4910mm | |
| خطوة المغزل | 110mm |
| أقصى سرعة ميكانيكية | 1000 متر في الدقيقة |
| المواد المناسبة للتطبيق/نطاق عد الخيوط | البوليستر\من 55 إلى 333 ديتكس×2 (كحد أقصى 450D×2) |
| طريقة غزل بالبرم الكاذب | نوع قرص التكديس ذو الطبقتين VIII (برم احتكاكي كاذب) |
| سخان أولي (سخان الغزل) | تسخين ثنائي الفينيل في الطور البخاري، 2500 مم (من 160 إلى 250 درجة مئوية) |
| سخان ثانوي (ضبط الغزل) | تسخين ثنائي الفينيل في الطور البخاري، 1460 مم (من 160 إلى 250 درجة مئوية) |
| طول لوح التبريد | 2100 مم (تبريد طبيعي) |







