ماكينة تصنيع خيط البوليستر DTY، ماكينة غزل بتقنية البرم الكاذب JGT1000M
Draw Texturing Machine
تستخدم هذه الآلة لإنتاج خيوط البوليستر DTY، حيث تقوم بتحويل خيوط البوليستر POY إلى خيوط DTY منخفضة التمدد من خلال الغزل بتقنية البرم الكاذب. عند تزويدها بفوهة هواء، يمكن استخدامها أيضاً لإنتاج الخيوط المتشابكة. هذا التكوين مناسب عموماً للخيوط الخشنة التي يزيد سمكها عن 200D. يساعد سخان علوي بطول مترين على خفض استهلاك الطاقة، بينما صمم تخطيط الآلة لتسهيل التشغيل وتوفير مسار أكثر عملية للخيوط. تتوفر خيارات محرك أحادي الحزام وثنائي الحزام لتلبية احتياجات المعالجة المختلفة.
تستخدم أقراص سيراميكية للمدخل والمخرج لتوجيه الخيوط بسلاسة أكبر أثناء المعالجة. يمكن اختيار تخطيطات أقراص مختلفة، من 1-4-1 إلى 1-7-1، وفقاً لاحتياجات الإنتاج. بالنسبة لأقراص العمل، يمكن للعملاء الاختيار بين أقراص البولي يوريثان وأقراص السيراميك الناعمة. تستخدم الطرازات W1 وW2 وW3 هيكل من بكرات جلدية مدعومة بأقواس من سبائك الألومنيوم.
مناسب لمعالجة خيوط دينير الخشنة التي يزيد سمكها عن 200D. تشمل الاستخدامات النهائية النموذجية السترات الواقية من الرياح والجيكاتات.
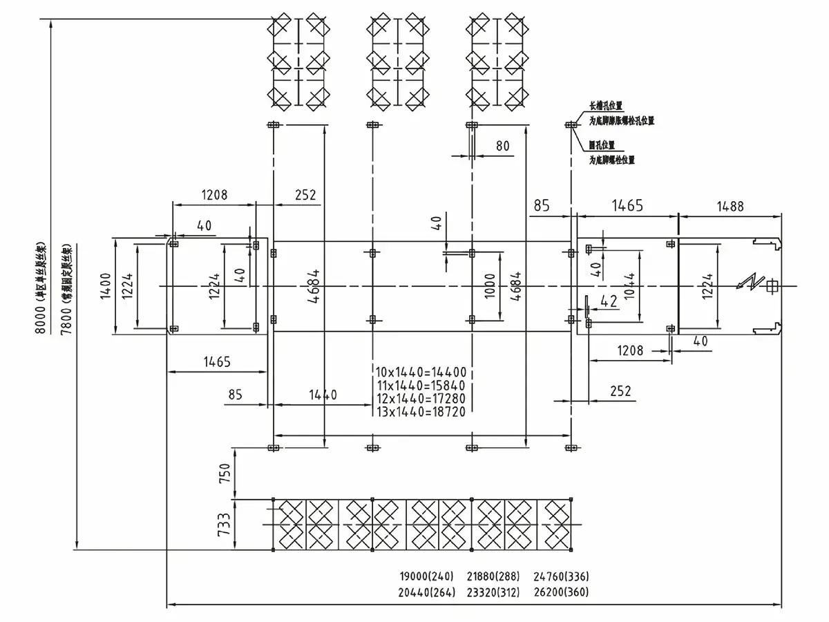
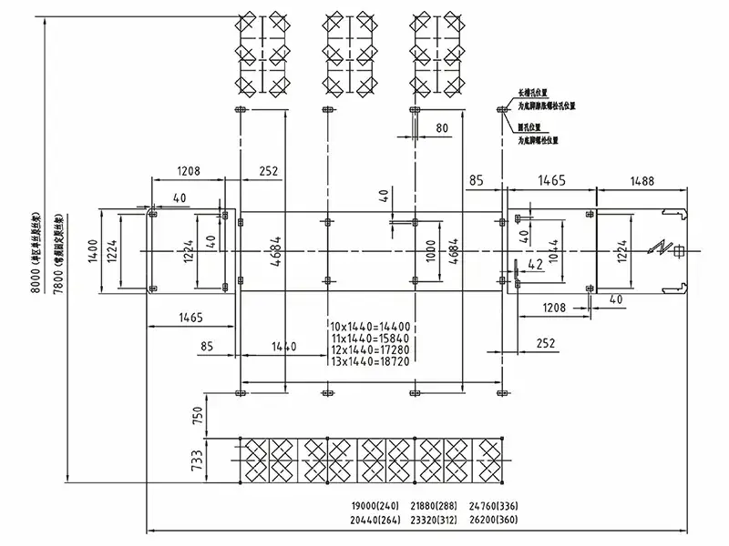
| عدد المغازل | 264 | 288 | 312 | 336 | 360 | |
| عدد الأقسام | 11 | 12 | 13 | 14 | 15 | |
| القدرة التركيبية (kW) | المحرك الرئيسي | 110.5 | 110.5 | 131 | 131 | 137 |
| سخان علوي | 74.8/88 | 81.6/96 | 88.4/104 | 92.5/112 | 102/120 | |
| سخان سفلي | 26.4 | 28.8 | 31.2 | 33.6 | 36 | |
| القدرة المساعدة | حوالي 6 كيلو وات | |||||
| القدرة الكلية | 217.7/230.9 | 226.9/241.3 | 256.7/272.2 | 265.9/282.7 | 281/299 | |
| الأبعاد (مع حاملة البكرة الثابتة) (مم) | نوع M | 20440×7800×4160 | 21880×7800×4160 | 23320×7800×4160 | 24760×7800×4160 | 26200×7800×4160 |
| نوع F | 20440×7000×4930 | 21880×7000×4930 | 23320×7000×4930 | 24760×7000×4930 | 26200×7000×4930 | |
| خطوة المغزل | 110mm |
| أقصى سرعة ميكانيكية | 1000 متر في الدقيقة |
| المواد المناسبة للتطبيق/نطاق عد الخيوط | البوليستر\من 167 إلى 333 ديتكس (من 150 إلى 300 دينير) |
| خطوة القسم | 1440mm |
| طريقة غزل بالبرم الكاذب | نوع قرص التكديس نوع VIII (برم الاحتكاك الكاذب) |
| أقصى سرعة لوحدة البرم الكاذب | 18000 لفة في الدقيقة |
| اتجاه البرم | قابل للضبط S/Z |
| سخان أساسي من النوع M (سخان الغزل) | تسخين ثنائي الفينيل في الطور البخاري، 2000/2500 مم |
| سخان أساسي من النوع F (سخان الغزل) | تسخين ثنائي الفينيل في الطور البخاري، 2500 مم |
| سخان ثانوي (سخان فابل للضبط) | تسخين ثنائي الفينيل في الطور البخاري، 1460 مم |
| نطاق درجة حرارة سخان الغزل | 160–250 ℃ |
| ضبط نطاق درجة حرارة السخان | 160–250 ℃ |
| طول لوح التبريد | 2100 مم (تبريد طبيعي) |
| قطر بكرة الاحتكاك | Ø100mm |
| قطر بكرة التغذية | Ø75mm |
| قطر بكرة التزييت | Ø75mm |
| أقصى حجم تغذية المجموعة POY | Ø435×250mm |
| أقصى حجم لحزمة التجميع | Ø250×250mm |
| الوزن القياسي للمجموعة | 5kg |
| حجم أنبوب ورق التجميع | Ø69ר57×290mm |
-
ماكينة غزل بتقنية البرم الكاذبتستخدم ماكينة الغزل بتقنية البرم الكاذب تصميم من ثمانية أقراص متراصة، ويمكن تزويده بنظام نقل حركة بحزام واحد أو حزامين. تتضمن الآللا أقراص مدخل سيراميكية وأقراص مخرج مشقوقة، بينما تتوفر أقراص عمل من البولي يوريثان والسيراميك الناعم. كما يمكن اختيار ترتيبات الأقراص من 1-4-1 إلى 1-7-1.









