ماكينة تصنيع خيط النايلون DTY، ماكينة غزل بتقنية السحب الكامل JGT1200N
Draw Texturing Machine

تقوم آلة JGT1200N بمعالجة خيوط البولي أميد (النايلون) POY من خلال السحب والتشكيل الحلزوني لإنتاج خيوط نايلون DTY عالية المرونة. أثناء التشغيل، تجري آلة غزل خيوط DTY عمليتي السحب والغزل بشكل متواصل، مما يسمح لخيوط النايلون POY بتطوير بنية مجعدة مستقرة تتميز بتمدد وحجم ومرونة جيدة.
تجهز آلة غزل خيوط النايلون DTY بسخان موفر للطاقة من الجيل السابع يستخدم التسخين بطور بخار ثنائي الفينيل. ويضمن التحكم الدقيق في درجة الحرارة (±1 درجة مئوية) وجودة خيوط ثابتة أداء موحد للصباغة وجودة خيوط متسقة، بالإضافة إلى نظام إنذار لارتفاع درجة الحرارة مع قطع آلي للخيوط. كما تعتمد الآلة حامل بكرة ونظام لف مصممين حديث. وبفضل خوارزمية تحكم محدثة، تحسنت دقة اللف ثلاثة أضعاف، مع الحفاظ على تباين سرعة اللف ضمن دورة واحدة. وتساعد ثلاثة أخاديد زيت مستقلة وبكرة تزييت مدمجة على دعم لف مستقر وتشكيل لفائف موثوق.
تعد ماكينة JGT1200N مناسب لمعالجة الخيوط التي يتراوح قطرها بين 20 و200D. وتستخدم هذه الخيوط عادةً في منتجات مثل الملابس والفساتين سريعة الجفاف.
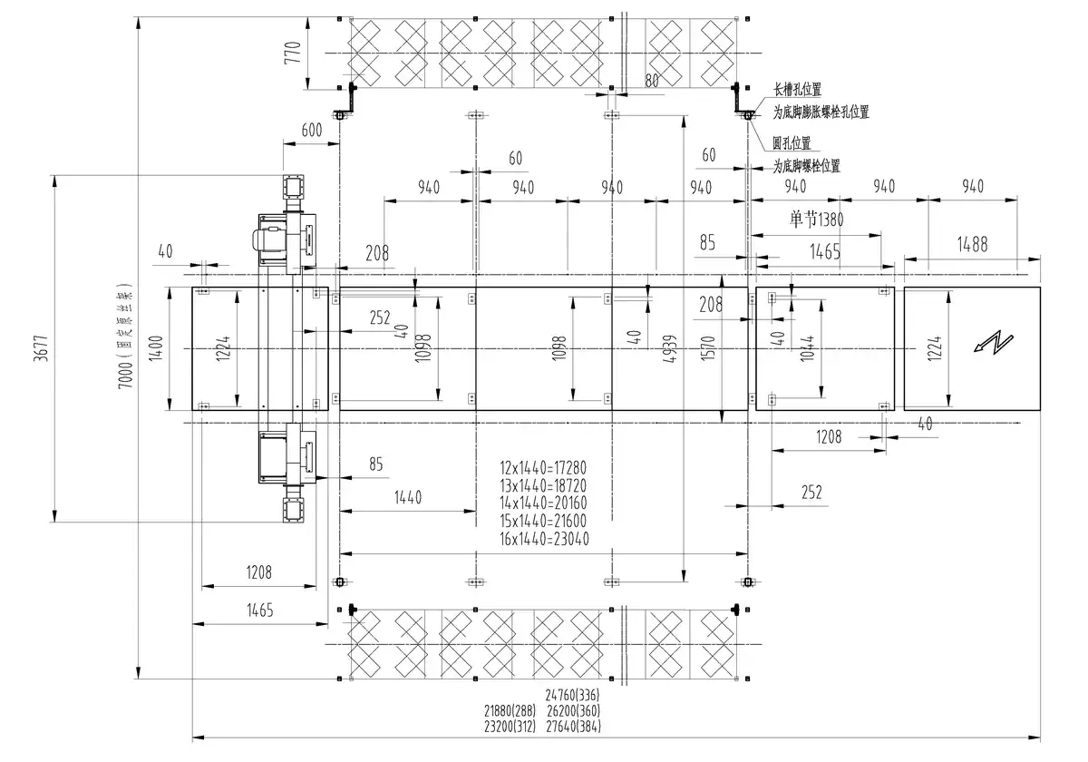
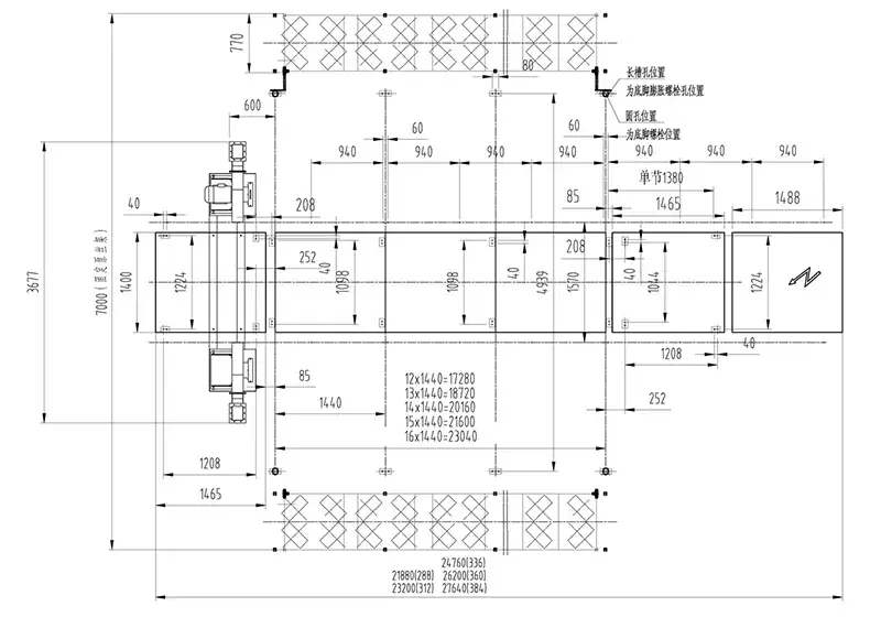
| عدد المغازل | عدد الأقسام | القدرة التركيبية | الأبعاد (مع حاملة البكرة الثابتة) (مم) | |||
| المحرك الرئيسي | سخان علوي | القدرة المساعدة | القدرة الكلية | |||
| 288 | 12 | 114.5kW | 81.6kW | حوالي 6 كيلو وات | 202.1kW | 21880×7000×5300mm |
| 312 | 13 | 126.2kW | 88.4kW | 220.6kW | 23320×7000×5300mm | |
| 336 | 14 | 145.9kW | 95.2kW | 247.2kW | 24760×7000×5300mm | |
| 360 | 15 | 145.9kW | 102kW | 254kW | 26200×7000×5300mm | |
| 384 | 16 | 161.5kW | 108.8kW | 276.3kW | 27640×7000×5300mm | |
| خطوة المغزل | 110mm |
| أقصى سرعة ميكانيكية | 1000 متر في الدقيقة |
| المواد المناسبة للتطبيق/نطاق عد الخيوط | نايلون (بولي أميد)/22-222 ديتكس (20-200 دينير) |
| خطوة القسم | 1440mm |
| طريقة غزل بالبرم الكاذب | نوع القرص المكدس VIII (برم احتكاكي كاذب) |
| حجم قرص الاحتكاك | Ø49.62×6mm |
| أقصى سرعة لوحدة البرم الكاذب | 18000 لفة في الدقيقة |
| اتجاه البرم | قابل للضبط S/Z |
| سخان أولي (سخان الغزل) | تسخين ثنائي الفينيل في الطور البخاري، 2000 مم |
| نطاق درجة حرارة سخان الغزل | 160-250℃ |
| طول لوح التبريد | 1100 مم (تبريد طبيعي) |
| قطر بكرة الاحتكاك | Ø100mm |
| قطر بكرة التغذية | Ø75mm |
| قطر بكرة التزييت | Ø30mm |
| أقصى حجم تغذية المجموعة POY | Ø435×250mm |
| أقصى حجم لحزمة التجميع | Ø250×245mm |
| الوزن القياسي للمجموعة | 5kg |
| حجم أنبوب ورق التجميع | Ø69ר57×290mm |
-
نظام النقليستخدم نظام دفع مباشر أحادي المحور والمحرك، مما يلغي الحاجة إلى الأحزمة المتزامنة وبكرات الشد في مسار النقل، لضمان الموثوقية والكفاءة. كما يسمح التشغيل المستقل للجانبين A وB بإعدادات منفصلة للعملية، مما يمكن آلة نسج الخيوط ذات اللفة الزائفة من إنتاج نوعين من الخيوط في الوقت نفسه، ويزيد من مرونتها.









