ماكينة تصنيع خيط النايلون DTY، ماكينة غزل بتقنية السحب الكامل JGT1200HN
Draw Texturing Machine

صممت آلة غزل خيوط DTY لمعالجة خيوط البولي أميد (النايلون) POY وتحويلها إلى خيوط نايلون DTY عالية المرونة من خلال السحب والغزل الحلزوني. أثناء التشغيل، تقوم آلة JGT1200HN بعمليات السحب والغزل بشكل متواصل، محولة خيوط النايلون POY إلى خيوط مشكلة تتميز بتمدد وكثافة ومرونة أكبر.
تعتمد هذه الآلة على هيكل مسنن، مما يجعلها مناسبة لمعالجة الخيوط الدقيقة. يوفر نظام السحب القائم على الأقراص تحكم أكثر دقة في شد الخيوط وحركتها أثناء المعالجة، مما يساعد على الحفاظ على ظروف إنتاج مستقرة مع ضمان جودة خيوط ثابتة.
تعد ماكينة JGT1200HN مناسبة لمعالجة الخيوط التي يتراوح سمكها بين 20 و200D. وتستخدم هذه الخيوط عادة في منتجات مثل الملابس الواقية من الشمس خفيفة الوزن والملابس الداخلية الفاخرة.
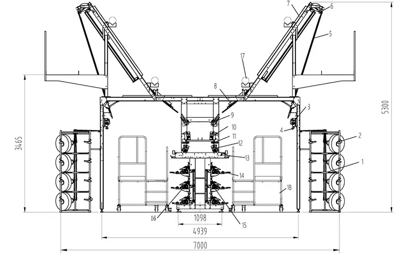
| عدد المغازل | عدد الأقسام | القدرة التركيبية | الأبعاد (مع حاملة البكرة الثابتة) (مم) | |||
| المحرك الرئيسي | سخان علوي | القدرة المساعدة | القدرة الكلية | |||
| 288 | 12 | 128.5kW | 81.6kW | حوالي 6 كيلو وات | 216.1kw | 21880×7000 ×5300mm |
| 312 | 13 | 139.4kw | 88.4kW | 233.8kw | 23320×7000 ×5300mm | |
| 336 | 14 | 152.3kw | 95.2kW | 253.5kw | 24760×7000 ×5300mm | |
| 360 | 15 | 156.1kw | 102kW | 264.1kw | 26200×7000 ×5300mm | |
| 384 | 16 | 185.1kw | 108.8kW | 299.9kw | 27640×7000 ×5300mm | |
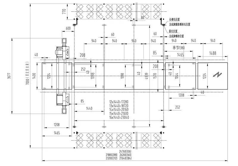
| خطوة المغزل | 110mm |
| أقصى سرعة ميكانيكية | 1000 متر في الدقيقة |
| المواد المناسبة للتطبيق/نطاق عد الخيوط | نايلون (بولي أميد)/22-222 ديتكس (20-200 دينير) |
| خطوة القسم | 1440mm |
| طريقة غزل بالبرم الكاذب | نوع القرص المكدس VIII (برم احتكاكي كاذب) |
| حجم قرص الاحتكاك | Ø49.62×6mm |
| أقصى سرعة لوحدة البرم الكاذب | 18000 لفة في الدقيقة |
| اتجاه البرم | قابل للضبط S/Z |
| سخان أولي (سخان الغزل) | تسخين ثنائي الفينيل في الطور البخاري، 2000 مم |
| نطاق درجة حرارة سخان الغزل | 160-250℃ |
| طول لوح التبريد | 1100 مم (تبريد طبيعي) |
| قطر بكرة الاحتكاك | Ø100mm |
| قطر بكرة التغذية | Ø60mm |
| قطر بكرة التزييت | Ø30mm |
| أقصى حجم تغذية المجموعة POY | Ø435×250mm |
| أقصى حجم لحزمة التجميع | Ø250×245mm |
| الوزن القياسي للمجموعة | 5kg |
| حجم أنبوب ورق التجميع | Ø69ר57×290mm |
-
ماكينة غزل بتقنية البرم الكاذبتستخدم آلة DTY للنسيج مجموعة مغزل البرم الكاذب من النوع VIII ذات أقراص تكديس. تتوفر تكوينات من 1-4-1 إلى 1-7-1. تستخدم أقراص احتكاك سيراميكية (قطر 49.62 × قطر 12 × 6 مم) بمسافة 0.5 مم بينها، بالإضافة إلى موجهات إدخال سيراميكية وأقراص إخراج مشقوقة، للحفاظ على استقرار عملية معالجة الخيوط.










